电话:0532-58086226
联系人:乔经理:15653283896,刘女士:18954274291
邮箱:sdxatahkj@163.com
地址:山东省青岛市高新区火炬路88号 31号楼101户
山东鑫安泰安环科技有限公司项目信息公开一览表 | |||
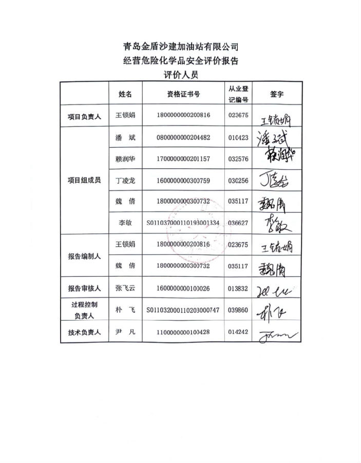
项目名称 | 青岛金盾沙建加油站有限公司经营危险化学品安全评价报告 | ||
所属行业 | 石油加工业,化学原料、化学品及医药制造业 | ||
项目单位:青岛金盾沙建加油站有限公司 注册地址:山东省青岛市崂山区沙子口街道后登瀛村 项目投资:--- | |||
项目地址 | 山东省青岛市崂山区沙子口街道后登瀛村 | ||
项目负责人 | 王锁娟 | 评价类型 | 安全现状评价 |
评价组成员 | 王锁娟、李敏、潘斌、赖润华、魏倩、丁凌龙 | ||
报告编制人 | 王锁娟、魏倩 | 报告审核人 | 王锁娟 |
报告校核人 | 李敏 | 报告内审人 | 张飞云 |
技术负责人 | 尹凡 | 过控负责人 | 朴飞 |
现场开展工作情况 | |||
工作日期 | 主要工作人员 | 主要工作任务 | |
2024.4.30-2024.5.6 | 潘斌、赖润华、魏倩 | 前期准备、收集资料 | |
2024.5.7-2024.5.9 | 魏倩、 王锁娟 | 现场检查、收集资料 | |
2024.5.9-2024.5.10 | 魏倩、王锁娟、李敏 | 报告编制、现场核查、报告校核 | |
2024.5.10 | 魏倩、张飞云 | 报告内审 | |
2024.5.11 | 魏倩、尹凡 | 报告技审 | |
2024.5.12 | 魏倩、朴飞 | 过控审核、报告出版 | |
评价报告完成时间 | 2024.5.12 | ||
其他需要公开的信息 | 无 | ||






